Australian Designed and Made
First Light Fabrication is built on the Sunshine Coast, designing and manufacturing high-quality marine fishing and boating accessories.
From Motor mounts and Bait boards to custom fabrication solutions, every product is made with durability, functionality and simplicity in mind.
No gimmicks. Just gear that works.











Vendor:First Light Fabrication
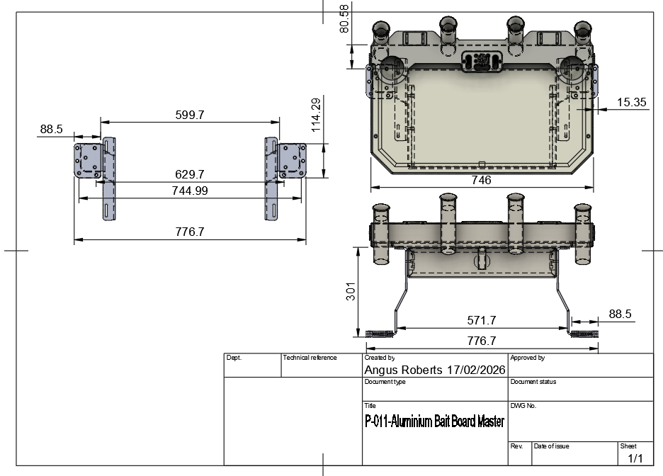
Aluminium Coaming Rack Rod Holder
Aluminium Hook-On Coaming Rack Rod Holder
Added Versatility. Built Better than ever.
Our best-selling coaming rack just got another serious upgrade. The new version now features a dual locking system with optional bolt in gimble pins and a reel capture insert on the top of the rod holder with options for an extension. Your rods will never be safer in any conditions.
What's new
- Dual Locking System - Reel slides into the top insert or bolt in an optional gimble pin at the base.
- Improved Rod Stability - Less movement and rattle in rough conditions.
- Refined Fit & Finish - Clean, durable design with upgraded components.
Key Features
-
Hook-On Design - No drilling, quick install and removal
-
Marine-Grade Aluminium Construction - Lightweight, strong, corrosion resistant and powder coated options
-
Flared plastic inserts - Protect your rod from scratches and damage
-
Universal Fit for Aluminium and Fibreglass Boats - Suits most aluminium and fibreglass boats with standard gunnel storage pockets
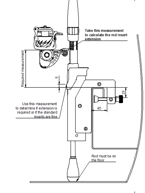
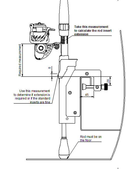
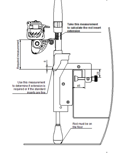
How to calculate your rod insert extensions

Sizes
- 4 Rod - 640mm Length
- 6 Rod - 1000mm Length
Australian Made on the Sunshine Coast. Built for any conditions
All products are Made to Order and will have a longer lead time than usual.
Couldn't load pickup availability
Pickup available at 6-8 Geo Hawkins Crescent
Usually ready in 2-4 daysIn stock! Ships within 1-5 business days.
1-Year Warranty
Free returns
Build your Bundle
The choice is yours. With our bundle builder, you can select any combination from our range of products. The easiest way to keep everyone happy.
Stabicraft bundle
Combine Stabicraft products and save 15%
Tinny bundle
Combine the Boarding Ladder and Coaming rack products and save 10%
Australian Made
Designed In-House


























